Описание
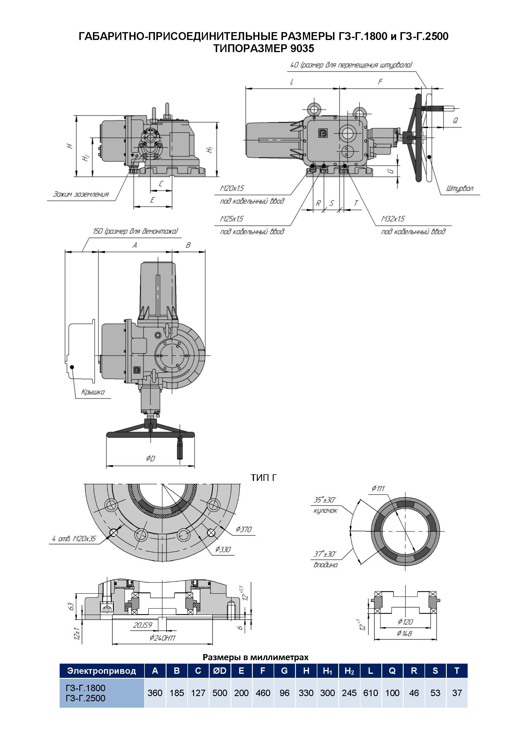
ТИПОРАЗМЕР 9035
ДИАПАЗОН МОМЕНТОВ от 1800 до 2500 Нм
Электроприводы многооборотные общепромышленные ГЗ-Г спроектированы и изготавливаются по техническим условиям ГРЛЕ.421322.001 ТУ. Электроприводы соответствуют требованиям технических регламентов ТР ТС 004/2011 «О безопасности низковольтного оборудования» и ТР ТС 020/2011 «Электромагнитная совместимость технических средств».
Многооборотные электроприводы применяются для управления различной трубопроводной арматуры. Приводы обеспечивают надежное перемещение и удержание в заданном положении запорного элемента ТПА, с крутящим моментом от 1800 до 2500 Нм.
Многооборотные общепромышленные электроприводы ГЗ находят применение в различных отраслях коммунального хозяйства, водоснабжения, химической, нефтехимической отрасли, нефтегазового комплекса.
Модификации
| # | Наименование | Добавить к запросу |
|---|---|---|
| 1 | ГЗ-Г-1800/12-400 | |
| 2 | ГЗ-Г-1800/18-400 | |
| 3 | ГЗ-Г-1800/24-400 | |
| 4 | ГЗ-Г-1800/36-400 | |
| 5 | ГЗ-Г-1800/48-400 | |
| 6 | ГЗ-Г-1800/72-400 | |
| 7 | ГЗ-Г-2500/12-400 | |
| 8 | ГЗ-Г-2500/18-400 | |
| 9 | ГЗ-Г-2500/24-400 | |
| 10 | ГЗ-Г-2500/36-400 | |
| 11 | ГЗ-Г-2500/48-400 |