Описание
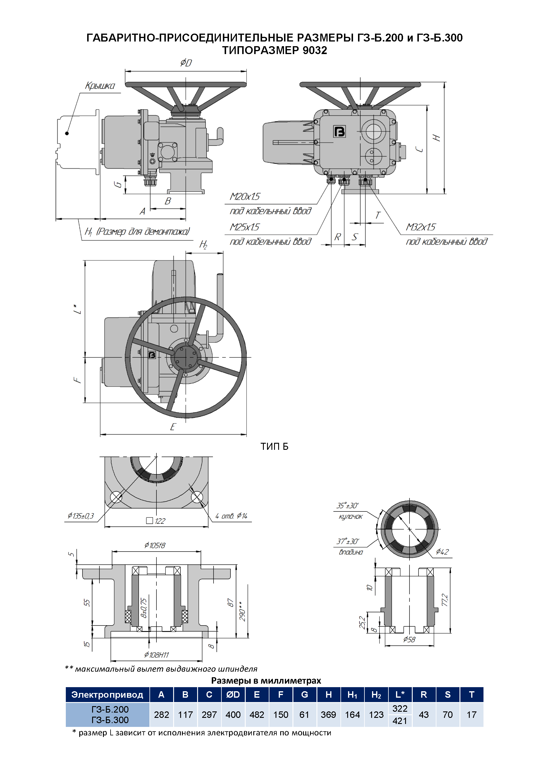
ТИПОРАЗМЕР 9032
ДИАПАЗОН МОМЕНТОВ от 200 до 300 Нм
Электроприводы многооборотные общепромышленные ГЗ-Б спроектированы и изготавливаются по техническим условиям ГРЛЕ.421322.001 ТУ. Электроприводы соответствуют требованиям технических регламентов ТР ТС 004/2011 «О безопасности низковольтного оборудования» и ТР ТС 020/2011 «Электромагнитная совместимость технических средств».
Многооборотные электроприводы применяются для управления различной трубопроводной арматуры. Приводы обеспечивают надежное перемещение и удержание в заданном положении запорного элемента ТПА, с крутящим моментом от 200 до 300 Нм.
Многооборотные общепромышленные электроприводы ГЗ находят применение в различных отраслях коммунального хозяйства, водоснабжения, химической, нефтехимической отрасли, нефтегазового комплекса.
Модификации
| # | Наименование | Действия |
|---|---|---|
| 1 | ГЗ-ВБ-200/12-230 |
|
| 2 | ГЗ-ВБ-200/12-400 |
|
| 3 | ГЗ-ВБ-200/18-230 |
|
| 4 | ГЗ-ВБ-200/18-400 |
|
| 5 | ГЗ-ВБ-200/24-400 |
|
| 6 | ГЗ-ВБ-200/36-400 |
|
| 7 | ГЗ-ВБ-200/48-400 |
|
| 8 | ГЗ-ВБ-200/72-400 |
|
| 9 | ГЗ-ВБ-300/12-230 |
|
| 10 | ГЗ-ВБ-300/12-400 |
|
| 11 | ГЗ-ВБ-300/18-400 |
|
| 12 | ГЗ-ВБ-300/24-400 |
|
| 13 | ГЗ-ВБ-300/36-400 |
|
| 14 | ГЗ-ВБ-300/48-400 |
|