Описание
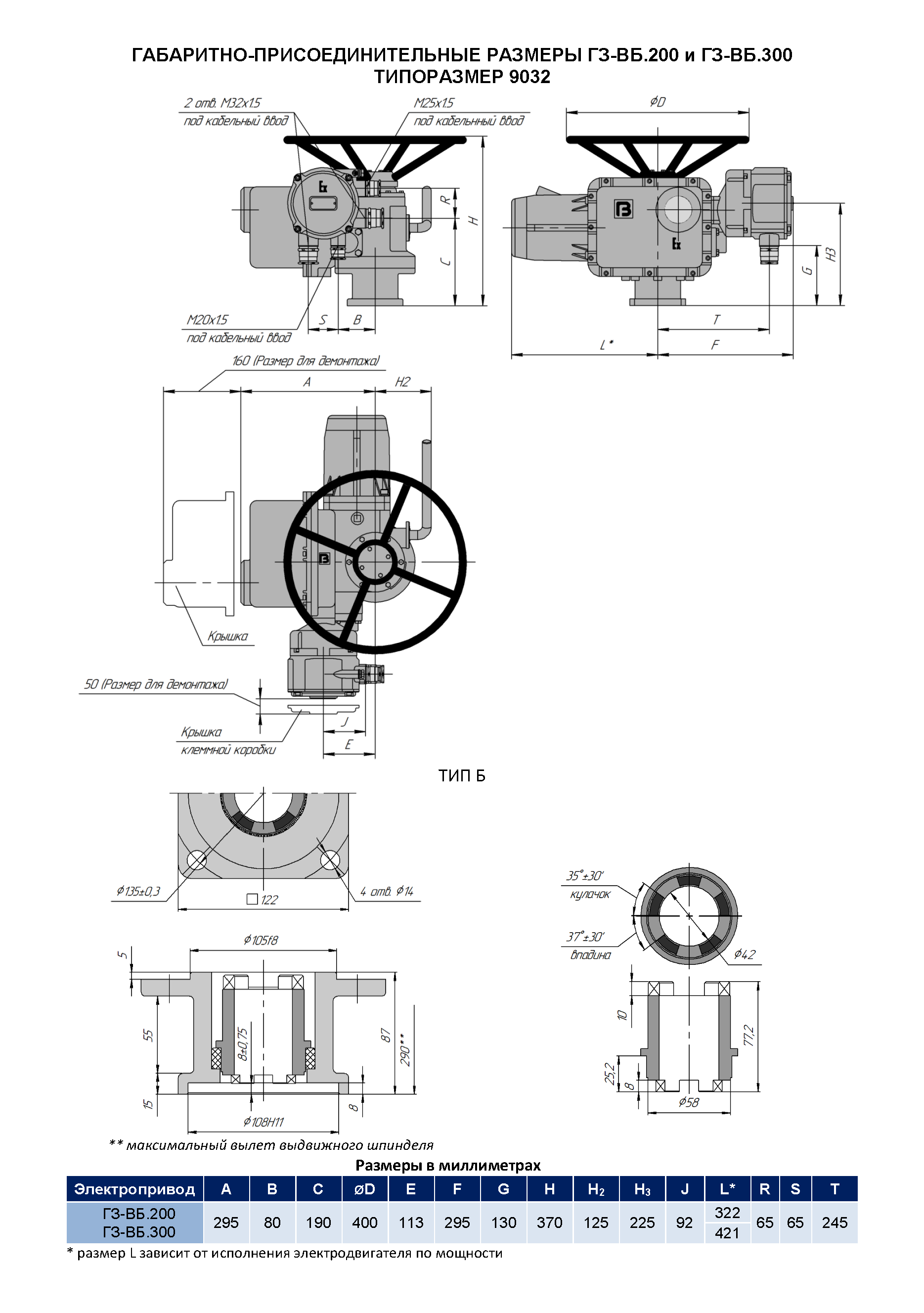
ТИПОРАЗМЕР 9032
ДИАПАЗОН МОМЕНТОВ от 100 до 300 Нм
Электропривод многооборотный взрывозащищенного типа ГЗ-ВБ изготавливается по техническим условиям ГРЛЕ.421322.004ТУ, в соответствии с ГОСТ 31610.0-2019, ГОСТ 31441.1-2011, ГОСТ IEC 60079-14-2013.
Маркировка взрывозащиты электропривода — 1ЕхdIIBT4 Gb. Данный привод применяется для управления трубопроводной запорной и регулирующей арматурой в химической, нефтяной, газовой отраслях, а так же в топливноэнергетическом комплексе.
Электропривод может устанавливаться во взрывоопасных зонах классов 1 и 2 по ГОСТ IEC 60079-10-1-2013, в которых возможно образование взрывоопасных смесей газов и паров категорий IIA, IIB с температурным классом Т1, Т2, Т3, Т4 по ГОСТ31610.20-1-2020 (ISO/IEC 80079-20-1:2017), согласно ГОСТ IEC 60079-14-2013.
Вся продукция сертифицирована.
Модификации
| # | Наименование | Добавить к запросу |
|---|---|---|
| 1 | ГЗ-ВБ.200/12-230 | |
| 2 | ГЗ-ВБ.200/12-400 | |
| 3 | ГЗ-ВБ.200/18-230 | |
| 4 | ГЗ-ВБ.200/18-400 | |
| 5 | ГЗ-ВБ.200/24-400 | |
| 6 | ГЗ-ВБ.200/36-400 | |
| 7 | ГЗ-ВБ.200/48-400 | |
| 8 | ГЗ-ВБ.200/72-400 | |
| 9 | ГЗ-ВБ.300/12-230 | |
| 10 | ГЗ-ВБ.300/12-400 | |
| 11 | ГЗ-ВБ.300/18-400 | |
| 12 | ГЗ-ВБ.300/24-400 | |
| 13 | ГЗ-ВБ.300/36-400 | |
| 14 | ГЗ-ВБ.300/48-400 |